应用范围: 各种仪器仪表上,考勤系统,门禁系统
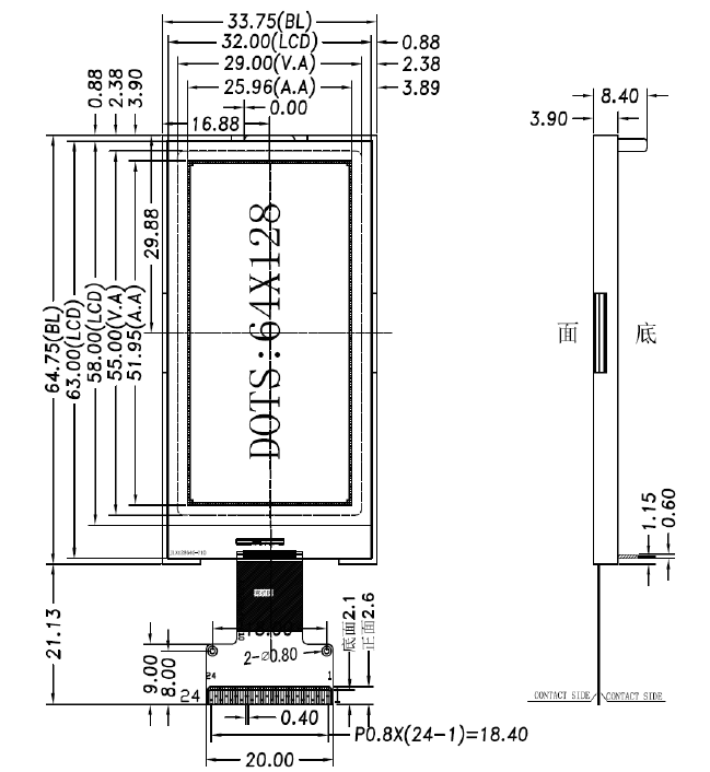
1.产品结构:

2.引脚功能:


3.产品特点:
1. 结构轻、薄、带背光、焊接式 FPC。
2. IC 采用 UC1604c,功能强大,稳定性好
3.功耗低:当电压为 3.3V 时,功耗低:不带背光 1.29mW(3.3V*(0.39mA 测试最大值)),带背
光不大于 150mW(3.3V*45mA);
4. 显示内容:
(1) 128*64 点阵单色图片,或其它小于 128*64 点阵的单色图片;
(2) 可选用 16*16 点阵或其他点阵的图片来自编汉字,按照 16*16 点阵汉字来计算可显示 8 字*4 行;
(3) 按照 8*16 点阵汉字来计算可显示 16 字*4 行;
(4) 按照 5*8 点阵汉字来计算可显示 21 字*8 行;
5.指令功能强:可软件调对比度、正显/反显转换、行列扫描方向可改(可旋转 180 度使用)。
6. 接口简单方便:并行、串行、IIC 接口;
7.工作温度:-20℃ - +70℃;
8.储存温度:-30℃ - +80℃;
4.产品展示:


JLX12864G-710-BN(焊接式FPC)
温馨提示:
带PCB板的可以选择3.3V或5V,带字库或不带字库;不带PCB板的只能是3.3V,不带字库。
需要带PCB板的请点击下图:
电话:0755-29784961-811/13316827640 赖小姐
销售QQ:2172598530/2415961763
销售微信:13316827640
邮箱:2415961763@qq.com
网址:http://www.jlxlcd.cn
地址:深圳市宝安区航城街道簕竹角村天富安工业园5栋西2楼