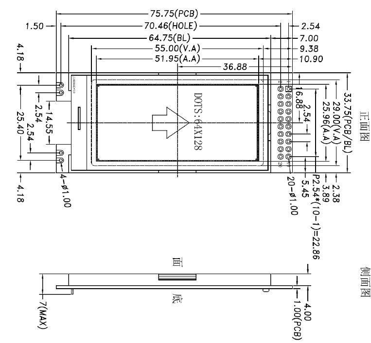
1.产品结构:
2.引脚功能:
(1)并行时接口引脚功能:
(2)四线串行时接口引脚功能:

(3)I²C 总线时接口引脚功能:

3.产品特点:
1. 结构轻、薄、带背光、焊接式FPC。
2. IC 采用UC1604c,功能强大,稳定性好
3. 功耗低:当电压为3.3V 时,功耗低:不带背光1.29mW(3.3V*(0.39mA 测试最大值)),带背光不大于150mW(3.3V*45mA);
4. 显示内容:
(1)128*64 点阵单色图片,或其它小于128*64 点阵的单色图片;
(2)可选用16*16 点阵或其他点阵的图片来自编汉字,按照16*16 点阵汉字来计算可显示8 字*4 行;
(3)按照 8*16 点阵汉字来计算可显示16 字*4 行;
(4)按照 5*8 点阵汉字来计算可显示21 字*8 行;
5. 指令功能强:可软件调对比度、正显/反显转换、行列扫描方向可改(可旋转180 度使用)。
6. 接口简单方便:并行、串行、IIC 接口;
7. 工作温度宽:-20℃ - +70℃;
8. 储存温度宽:-30℃ - +80℃;
4.产品展示:


JLX12864G-710-PC(带字库)
电话:0755-29784961-811/13316827640 赖小姐
销售QQ:2172598530/2415961763
销售微信:13316827640
邮箱:2415961763@qq.com
网址:http://www.jlxlcd.cn
地址:深圳市宝安区航城街道簕竹角村天富安工业园5栋西2楼