欢迎光临深圳市晶联讯电子有限公司官网平台
当前位置
首页 > 产品中心 > 2.4寸TFT彩屏
站内搜索: 
JLX240-003-PC(带字库)
品名: 液晶模块
  
型号:JLX240-003-PC(带字库)
    
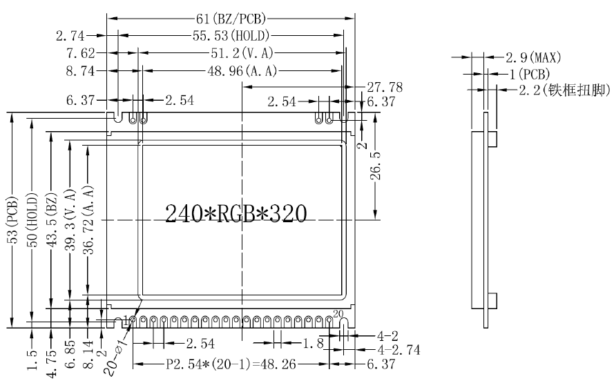
点阵:320*240 

外形尺寸:61*53*3.9mm
 

视窗尺寸:51.2*39.3mm


显示颜色: TFT

IC: ili9341(驱动IC) +JLX-GB2312-3205(字库IC)  

应用范围: 用于高级仪器仪表.通信系统.工业自动化.生活用具.医疗系统等 


详情

1.产品结构


2.引脚功能


3.产品特点

1. 结构轻、薄、带背光。
3. 显示内容:
      ●240*320 点阵彩色图片;
      ●可选用32*32 点阵或其他点阵的图片来自编汉字,按照32*32 点阵汉字来计算可显示10 个字/行*7 行。
      ●可选用16*16 点阵或其他点阵的图片来自编汉字,按照16*16 点阵汉字来计算可显示20 个字/行*15 行。
4. 指令功能强:例如可以用指令控制显示内容顺时针旋转90、逆时针旋转90°或倒立竖放。
5. 接口简单方便:采用8 位并行接口。
6. 工作温度宽:-20℃ - 70℃;

4.产品展示

JLX240-003-PC(带字库)

联系方式
CONTACT US

电话:0755-29784961-811/13316827640  小姐

销售QQ:2172598530/2415961763

销售微信:13316827640

邮箱:2415961763@qq.com

网址:http://www.jlxlcd.cn

地址:深圳市宝安区航城街道簕竹角村天富安工业园5栋西2楼 


关闭
用手机扫描二维码关闭