应用范围: 适用于各种仪器仪表,工业自动化,通信设备系统,医疗系统,车载系统等.
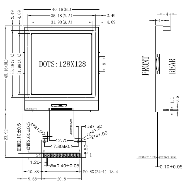
1.产品结构:
2.引脚功能:
(1)并行6800 时接口引脚功能

(2)四线串行时接口引脚功能

(3)I²C 总线时接口引脚功能

3.产品特点:
1.结构牢:带挡墙背光;
2. IC 采用ST7571,功能强大,稳定性好
3. 功耗低:1 - 270mW(不开背光1mW <3.3V@0.3mA>,开背光不大于270mW<3.3V@80mA>);
4.显示内容:
●128*128 点阵单色图片或4 灰度级的图片,
●或显示8 个×8 行=64 个的16*16 点阵的汉字。
●或显示16 个×8 行=128 个的8*16 点阵的英文、数字、符号。
●或显示21 个×16 行的5*8 点阵的英文、数字、符号。
●可选用16*16 点阵或其他点阵的图片来自编汉字,也可配合晶联讯字库IC(JLX-GB2312)
来显示汉字。
5. 指令功能强;
6. 接口简单方便:可选I²C 总线、4 线SPI 串口、并口(6800 时序或8080 时序可选择)。
7.工作温度:-20℃ - +70℃;
8.储存温度:-30℃ - +80℃;
4.产品展示:


JLX128128G-903-BN(焊接式FPC)
电话:0755-29784961-811/13316827640 赖小姐
销售QQ:2172598530/2415961763
销售微信:13316827640
邮箱:2415961763@qq.com
网址:http://www.jlxlcd.cn
地址:深圳市宝安区航城街道簕竹角村天富安工业园5栋西2楼