应用范围: 适用于各种仪器仪表,通信设备系统,环保系列,金融系列等
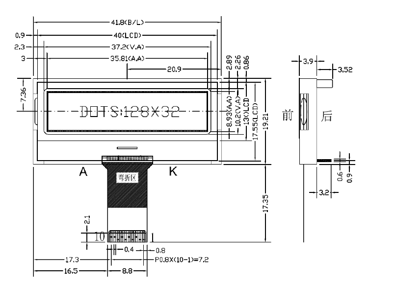
1.产品结构:
2.引脚功能:
3.产品特点:
1. 结构牢:背光带有挡墙,焊接式 FPC。
2. IC 采用矽创公司 ST7567,功能强大,稳定性好
3. 功耗低:1~100mW(关掉背光:0.3mA@3.3V,打开背光不大于 100mW);
4. 显示内容:
● 128*32 点阵单色图片;
● 可选用 16*16 点阵或其他点阵的图片来自编汉字,按照 16*16 点阵汉字来计算可显示 8字*2 行。
● 按照 12*12 点阵汉字来计算可显示 10 字/行*2 行。
● 可显示 16 个*2 行 8*16 点阵的英文、数字、符号。
● 可显示 21 个*4 行 5*8 点阵的英文、数字、符号。
5. 指令功能强:可软件调对比度、正显/反显转换、行列扫描方向可改(可旋转 180 度使用)。
6. 接口简单方便:采用 4 线 SPI 串口
7. 工作温度宽:-20℃ - 70℃;
4.产品展示:


JLX12832G-51102-BN(焊接式FPC)
电话:0755-29784961-811/13316827640 赖小姐
销售QQ:2172598530/2415961763
销售微信:13316827640
邮箱:2415961763@qq.com
网址:http://www.jlxlcd.cn
地址:深圳市宝安区航城街道簕竹角村天富安工业园5栋西2楼