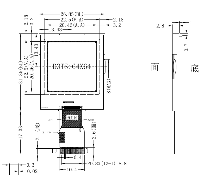
1.产品结构:

2.引脚功能:

3.产品特点:
1.结构牢:背光带有挡墙,焊接式 FPC。
2. IC 采用 ST7567,功能强大,稳定性好
3. 功耗低: 不带背光 1mW(3.3V*0.18mA),带背光不大于 100mW(3.3V*30mA);
4.显示内容:
(1) 64*64 点阵单色图片,或其它小于 64*64 点阵的单色图片;
(2) 可选用 16*16 点阵或其他点阵的图片来自编汉字,按照 16*16 点阵汉字来计算可显示 4 字*4 行;
(3) 按照 8*16 点阵汉字来计算可显示 8 字*4 行;
(4) 按照 5*8 点阵汉字来计算可显示 10 字*8 行;
5. 指令功能强;
6. 接口简单方便:采用 4 线 SPI 串行接口。
7. 工作温度:-20℃ - 70℃;
8. 储存温度:-30℃ - 80℃;
4.产品展示:

JLX6464G-720-BN(焊接式FPC)
电话:0755-29784961-811/13316827640 赖小姐
销售QQ:2172598530/2415961763
销售微信:13316827640
邮箱:2415961763@qq.com
网址:http://www.jlxlcd.cn
地址:深圳市宝安区航城街道簕竹角村天富安工业园5栋西2楼