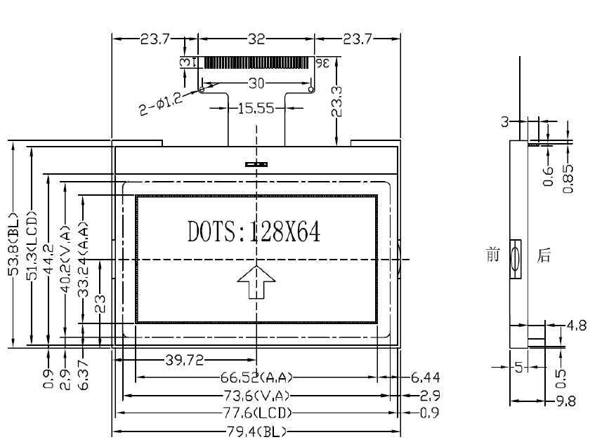
1.产品结构:
2引脚功能:
3.产品特点:
1. 结构牢:背光带有挡墙,焊接式FPC。
2. IC 采用矽创公司ST7567,功能强大,稳定性好
3. 功耗低: 不带背光1mW(3.3V*0.3mA),带背光不大于150mW(3.3V*40mA);
4. 显示内容:
(1)128*64 点阵单色图片,或其它小于128*64 点阵的单色图片;
(2)可选用16*16 点阵或其他点阵的图片来自编汉字,按照16*16 点阵汉字来计算可
显示8 字*4 行;
(3)按照 8*16 点阵汉字来计算可显示16 字*4 行;
(4)按照 5*8 点阵汉字来计算可显示21 字*8 行;
5. 指令功能强:可组合成各种输入、显示、移位方式以满足不同的要求;
6. 接口简单方便: 可采用4 线SPI 串口,或选择并口(6800 时序和8080 时序可选)。
7.工作温度:-20℃ - +70℃;
8.储存温度:-30℃ - +80℃;
4.产品展示:


JLX12864G-902-BN(焊接式FPC)
温馨提示:
带PCB板的可以选择3.3V或5V,带字库或不带字库;不带PCB板的只能是3.3V,不带字库。
需要带PCB板的请点击下图:
电话:0755-29784961-811/13316827640 赖小姐
销售QQ:2172598530/2415961763
销售微信:13316827640
邮箱:2415961763@qq.com
网址:http://www.jlxlcd.cn
地址:深圳市宝安区航城街道簕竹角村天富安工业园5栋西2楼