1.产品结构:
2.引脚功能:
(1)并行时接口引脚功能:
(2)四线串行时接口引脚功能:
(3)IIC总线时接口引脚功能:
3.产品特点:
1. 结构牢:带PCB、背光、铁框;
2. IC 采用UC1617S,功能强大,稳定性好
3.功耗低:1 - 100mW(不带背光1mW <3.3V@0.3mA>,带背光不大于100mW<3.3V@30mA>);
4. 显示内容:
●128*128 点阵单色图片或4 灰度级的图片,
●或显示8 个×8 行=64 个的16*16 点阵的汉字,按照12*12 点阵汉字来计算可显示10
字/行*10 行。
●或显示16 个×8 行=128 个的8*16 点阵的英文、数字、符号。
●或显示21 个×16 行的5*8 点阵的英文、数字、符号。;
● 可选用16*16 点阵或其他点阵的图片来自编汉字也可配合晶联讯字库IC
(JLX-GB2312-1602)来显示汉字。
5. 指令功能强;
6. 接口简单方便:可选I²C 总线、4 线SPI 串口、6800 系列并口、8080 系列并口。
7. 工作温度:-20℃ - 70℃;
8. 储存温度:-30℃ - 80℃;
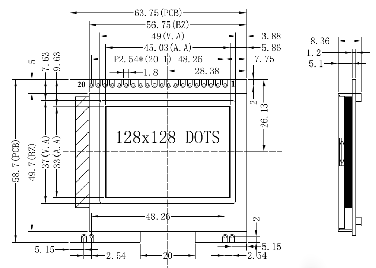
4.产品展示:


JLX128128G-328-PC(带字库)
电话:0755-29784961-811/13316827640 赖小姐
销售QQ:2172598530/2415961763
销售微信:13316827640
邮箱:2415961763@qq.com
网址:http://www.jlxlcd.cn
地址:深圳市宝安区航城街道簕竹角村天富安工业园5栋西2楼