1.产品结构:
2.引脚功能:
3.产品特点:
1. 结构牢:背光带有挡墙,焊接式 FPC。
2.IC 采用矽创公司 ST7565R,功能强大,稳定性好
3.显示内容:
● 128*64 点阵单色图片;
● 可选用 16*16 点阵或其他点阵的图片来自编汉字,按照 16*16 点阵汉字来计算可显示 8字/行*4 行。按照 12*12 点阵汉字来计算可显示 10 字/行*4 行。
4.指令功能强:可软件调对比度、正显/反显转换、行列扫描方向可改(可旋转 180 度使用)。并口时:可以“读-改-写”;
5. 接口简单方便:采用并行接口
6.工作温度宽:-20~50℃;
7.功耗低:1~100mW(关掉背光:0.3mA@3.3V,打开背光不大于 100mW);
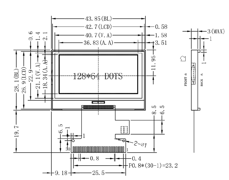
4.产品展示:


JLX12864G-1017-BN(焊接式FPC)
需要带PCB板的请点击下图:
电话:0755-29784961-811/13316827640 赖小姐
销售QQ:2172598530/2415961763
销售微信:13316827640
邮箱:2415961763@qq.com
网址:http://www.jlxlcd.cn
地址:深圳市宝安区航城街道簕竹角村天富安工业园5栋西2楼