应用范围: 适用于各种仪器仪表,工业自动化,通信设备系统,医疗系统,车载系统等.
1.产品结构:
2.引脚功能:
(1)并行时接口引脚功能
(2)四线串行时接口引脚功能
(3)I²C 总线时接口引脚功能
3.产品特点:
8. 液晶模块是易碎的玻璃盒,请小心使用,轻拿轻放
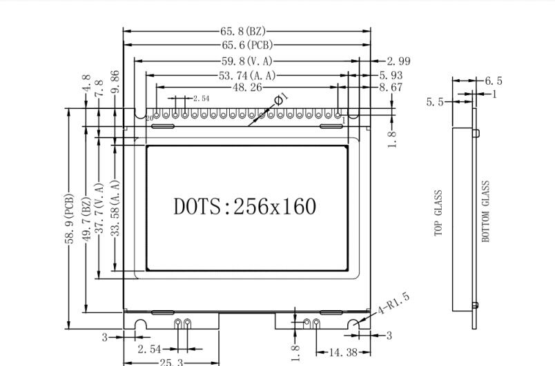
4.产品展示:



JLX256160G-9803-PN(不带字库)
电话:0755-29784961-811/13316827640 赖小姐
销售QQ:2172598530/2415961763
销售微信:13316827640
邮箱:2415961763@qq.com
网址:http://www.jlxlcd.cn
地址:深圳市宝安区航城街道簕竹角村天富安工业园5栋西2楼