应用范围: 适用于各种仪器仪表,工业自动化,通信设备系统,医疗系统,车载系统等.
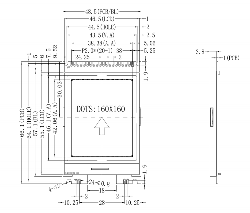
1.产品结构:
2.引脚功能:
(1)模块的并行接口引脚功能
(2)模块的串行接口引脚功能
(3)I²C 接口引脚功能
3.产品特点:
1. 结构牢。2. IC 采用矽创公司 ST75256,功能强大,稳定性好3. 功耗低。4. 接口简单方便:可采用 4 线 SPI 串行接口、并行接口,I2C 接口。5. 工作温度宽:-20℃ ∽ +70℃;6. 储存温度宽:-30℃ ∽ +80℃;7. 显示内容:●160*160 点阵单色或 4 灰度级图片;●或显示 5 个×5 行 32*32 点阵的汉字;●或显示 6 个×6 行 24*24 点阵的汉字;●或显示 10 个×10 行 16*16 点阵的汉字;●或显示其他的 ASCII 码等;8. 液晶模块是易碎的玻璃盒,请小心使用,轻拿轻放
4.产品展示:



JLX160160G-979-PL(带大字库)
电话:0755-29784961-811/13316827640 赖小姐
销售QQ:2172598530/2415961763
销售微信:13316827640
邮箱:2415961763@qq.com
网址:http://www.jlxlcd.cn
地址:深圳市宝安区航城街道簕竹角村天富安工业园5栋西2楼