应用范围: 用于高级仪器仪表.通信系统.工业自动化.生活用具.医疗系统等
1.产品结构:
2.引脚功能:

3.产品特点:
4.产品展示:



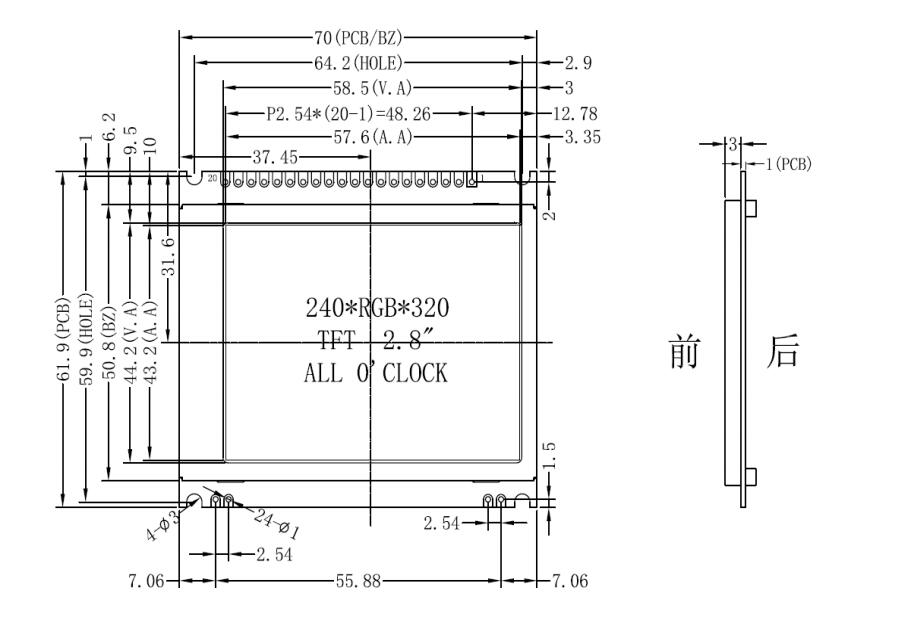
JLX280-031-PN(不带字库)
电话:0755-29784961-811/13316827640 赖小姐
销售QQ:2172598530/2415961763
销售微信:13316827640
邮箱:2415961763@qq.com
网址:http://www.jlxlcd.cn
地址:深圳市宝安区航城街道簕竹角村天富安工业园5栋西2楼