应用范围: 适用于各种仪器仪表,工业自动化,通信设备系统,医疗系统,车载系统等.
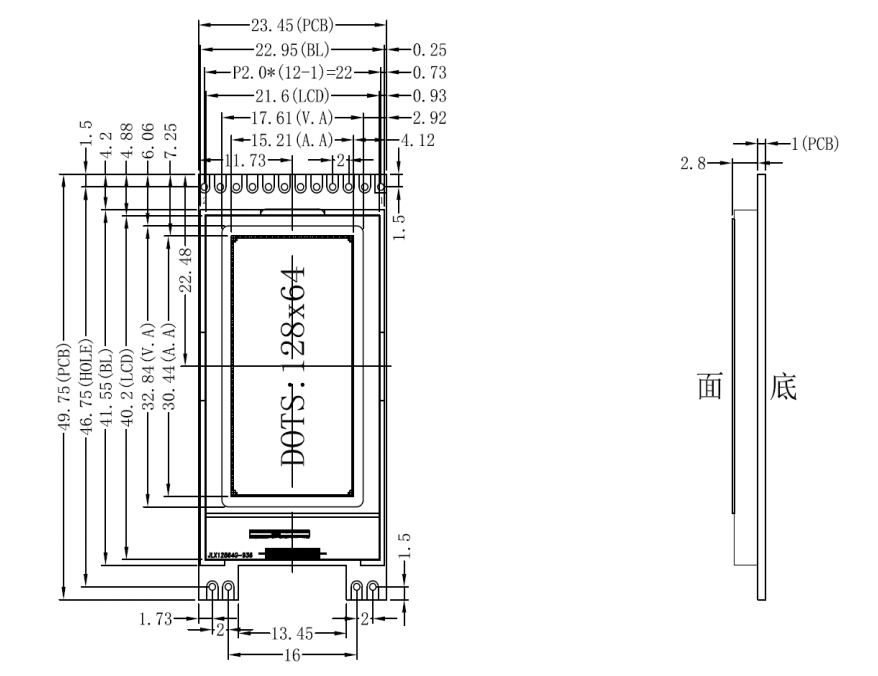
1.产品结构:
2.引脚功能:
3.产品特点:
1. 结构牢:背光带有挡墙,焊接式FPC。
2. IC 采用UC1604c,功能强大,稳定性好
3. 功耗低: 不带背光1mW(3.3V*0.3mA),带背光不大于136mW(3.3V*41mA);
4. 显示内容:
(1)128*64 点阵单色图片或者64*128 点阵单色图片,或其它小于128*64 点阵或64*128的单色图片;
(2)可选用16*16 点阵或其他点阵的图片来自编汉字,按照16*16 点阵汉字来计算可显示8 字*4 行或4 字八行;
(3)按照12*12 点阵汉字来计算可显示10 字*4 行或4 字10 行;
(4)按照 8*16 点阵汉字来计算可显示16 字*4 行或4 字16 行;
(5)按照 5*8 点阵汉字来计算可显示21 字*8 行或8 字20 行;
5. 指令功能强;
6. 接口简单方便:采用4 线SPI 串行接口。
7. 工作温度宽:-20℃ - 70℃;
8. 储存温度宽:-30℃ - 80℃;
4.产品展示:


JLX12864G-936-PN(不带汉字库)
电话:0755-29784961-811/13316827640 赖小姐
销售QQ:2172598530/2415961763
销售微信:13316827640
邮箱:2415961763@qq.com
网址:http://www.jlxlcd.cn
地址:深圳市宝安区航城街道簕竹角村天富安工业园5栋西2楼