型号:JLX12864G-6503-PN(不带字库)
点阵:128*64
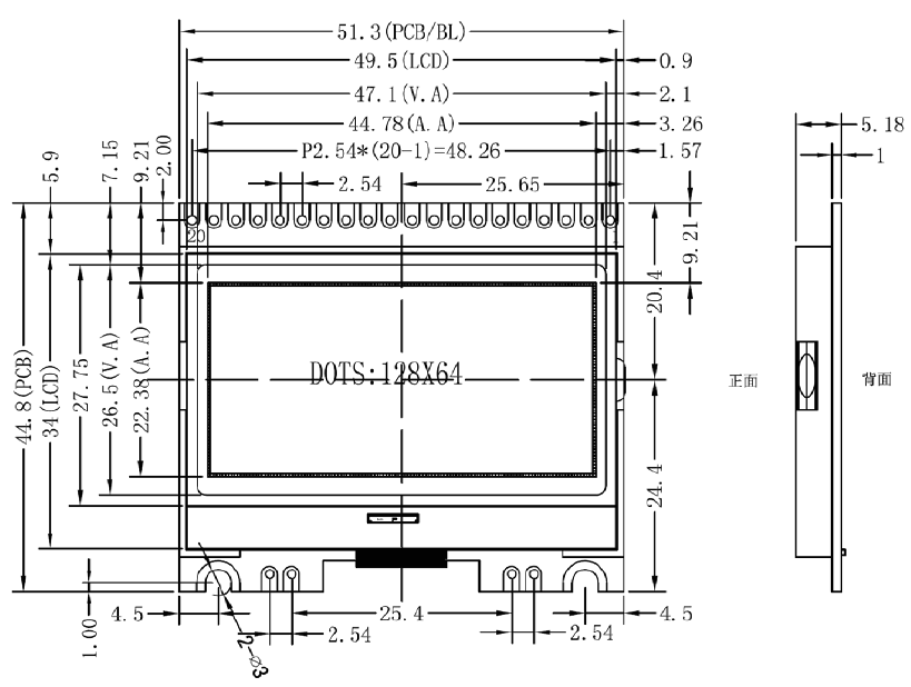
外形尺寸:51.3*44.8*5.18mm
应用范围:适用于各种仪器仪表,工业自动化,通信设备系统,医疗系统等.
1.产品结构:
2.引脚功能:
3.产品特点:
1. 结构牢:背光带有挡墙,焊接式FPC。
2. IC 采用矽创公司ST7567,功能强大,稳定性好
3. 功耗低:1~100mW(关掉背光:0.3mA@3.3V,打开背光不大于100mW);
4. 显示内容:
●128*64 点阵单色图片;
●可选用16*16 点阵或其他点阵的图片来自编汉字,按照16*16 点阵汉字来计算可显示8字/行*4 行。按照12*12 点阵汉字来计算可显示10 字/行*4 行。
5. 指令功能强:可软件调对比度、正显/反显转换、行列扫描方向可改(可旋转180 度使用)。
并口时:可以“读-改-写”;
6. 接口简单方便:可采用4 线SPI 串口,或选择并口(6800 时序和8080 时序可选)。
7. 工作温度宽:-20℃ - 70℃,储存温度:-30℃ - 80℃;
4.产品展示:





JLX12864G-6503-PN(不带字库)
电话:0755-29784961-811/13316827640 赖小姐
销售QQ:2172598530/2415961763
销售微信:13316827640
邮箱:2415961763@qq.com
网址:http://www.jlxlcd.cn
地址:深圳市宝安区航城街道簕竹角村天富安工业园5栋西2楼