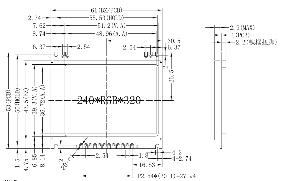
1.产品结构:
2.引脚功能:

3.产品特点:
1. 结构轻、薄、带背光。
2. IC 采用ST7789V,功能强大,稳定性好
3. 显示内容:
●240*320 点阵彩色图片;
●可选用32*32 点阵或其他点阵的图片来自编汉字,按照32*32 点阵汉字来计算可显示10 个字/行*7 行。
●可选用16*16 点阵或其他点阵的图片来自编汉字,按照16*16 点阵汉字来计算可显示20 个字/行*15 行。
4. 指令功能强:例如可以用指令控制显示内容顺时针旋转90、逆时针旋转90°或倒立竖放。
5. 接口简单方便:采用串行接口。
6. 工作温度宽:-20℃ - 70℃;
4.产品展示:



JLX240-00302-PN(不带字库)
电话:0755-29784961-811/13316827640 赖小姐
销售QQ:2172598530/2415961763
销售微信:13316827640
邮箱:2415961763@qq.com
网址:http://www.jlxlcd.cn
地址:深圳市宝安区航城街道簕竹角村天富安工业园5栋西2楼