点阵:1602
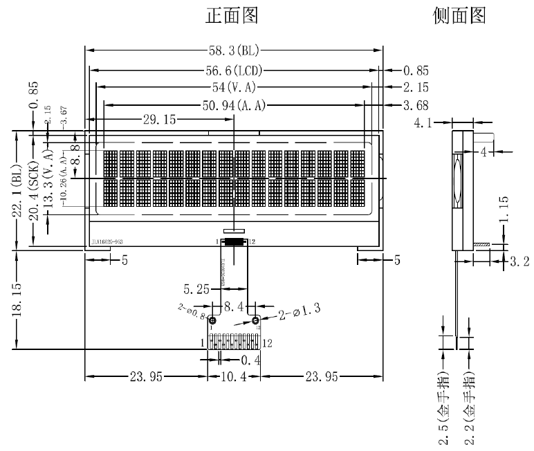
外形尺寸:58.3*22.1*4.1mm
IC: ST7032
应用范围: 适用于各种仪器仪表,工业自动化,通信设备系统,医疗系统,车载系统等.
1.产品结构:
2.引脚功能:
3.产品特点:
1. 重量轻;
2.体积小;
3. 结构牢:背光带有挡墙,焊接式 FPC。
4.IC 采用 ST7032,功能强大,稳定性好
5. 功耗低: 1~200mW(关掉背光:0.3mA@3.3V,打开背光不大于 200mW);
6. 显示内容:256 种字符(5×8 点字型); 可自编 8 种(5×8)种字符,(注每显示一个界面最多可以达到 8 个自编字符,但更换显示界面后可再编)
7. 接口简单方便:采用 4 线 SPI 串行接口。
8.工作温度:-20℃ - 70℃;
9.储存温度:-30℃ - 80℃;
4.产品展示:


JLX1602G-953-BN(焊接式FPC)
电话:0755-29784961-811/13316827640 赖小姐
销售QQ:2172598530/2415961763
销售微信:13316827640
邮箱:2415961763@qq.com
网址:http://www.jlxlcd.cn
地址:深圳市宝安区航城街道簕竹角村天富安工业园5栋西2楼