应用范围: 各种仪器仪表上,考勤系统,门禁系统
1.产品结构:
2.引脚功能:
3.产品特点:
1. 结构牢:背光带有挡墙,焊接式 FPC。
2. IC 采用矽创公司 ST7567,功能强大,稳定性好
3.功耗低: 不带背光 1mW(3.3V*0.3mA),带背光不大于 150mW(3.3V*45mA);
4. 显示内容:
(1) 128*48 点阵单色图片,或其它小于 128*48 点阵的单色图片;
(2) 可选用 16*16 点阵或其他点阵的图片来自编汉字,按照 16*16 点阵汉字来计算可显示 8 字*3 行;
(3) 按照 8*16 点阵汉字来计算可显示 16 字*3 行;
(4) 按照 5*8 点阵汉字来计算可显示 21 字*6 行;
5. 指令功能强: 可软件调对比度、正显/反显转换、行列扫描方向可改(可旋转 180 度使用)。
并口时:可以“读-改-写”;
6. 接口简单方便: 采用 4 线 SPI 串行接口,或选择并口(6800 时序和 8080 时序可选)。
7.工作温度:-20℃ - 70℃;
8.储存温度:-30℃ - 80℃;
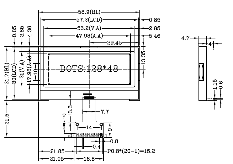
4.产品展示:



JLX12848G-942-BN(焊接式FPC)
电话:0755-29784961-811/13316827640 赖小姐
销售QQ:2172598530/2415961763
销售微信:13316827640
邮箱:2415961763@qq.com
网址:http://www.jlxlcd.cn
地址:深圳市宝安区航城街道簕竹角村天富安工业园5栋西2楼